Home - About AR - Learning Material - Exams - Clubs - Posters

Amateur Radio Info & Exams - Circuits 1 - Power supplies and schematic symbols

This section discusses power supplies, and identification of component symbols.

Power supplies

Electronic equipment requires DC power, and various supply configurations are used.

Usually called a linear power supply, the classic supply uses a transformer, then a rectifier, a filter network, and possibly regulators.

There are several rectifier arrangement: The half-wave rectifier, using a single diode; the two diode full wave rectifier, and the full-wave bridge rectifier. Likewise, the filter can be one or more capacitors only, or various configurations of inductors and capacitors, forming a low-pass filter which blocks the mains hum. This was more of a thing in the valve / tube era.

In an unfiltered halfwave arrangement, there is a current flow from the transformer for only 180 degrees, for (usually) the positive half of the cycle. For fullwave and bridge arrangements, current is drawn from the transformer for 360 degrees, or the full cycle. The exception is just before and after the zero crossing point, when the voltage is below the forward voltage drop of the diode(s). This also assumes a resistive load, which conducts proportionally to the voltage.

Filtered power supplies might have a high current draw for a few cycles as the capacitors are brought up to the peak voltage, but after this current flow only during the voltage peaks, so much less than 180 or 360 degrees. Even in an unfiltered bridge-rectified supply supplying a string of LEDs, current will only flow when the voltage exceeds the forward voltage of the diodes. Thus conduction might only be the centre 90 degrees, or thereabouts of each half cycle. This arrangement does cause flickering lighting, noticeable if you wave your hand in front of the light.

Single diode half-wave rectifierThis circuit uses a single diode to rectify a single half-wave, meaning an output pulse for each positive half of the AC waveform only, so there is a 40 millisecond gap between the peaks on a 50 Hz system, and 33.333 ms in a 60 Hz one. Thus the hum frequency is 50 or 60 Hz.
Two diode full-wave rectifierThis circuit uses centre-tapped transformer, and two diodes to generate an output pulse for both the positive and negative half of the AC waveform, meaning there is only a 20 millisecond gap between the peaks on a 50 Hz system, and 16.667 ms in a 60 Hz one. Thus the hum frequency is 100 or 120 Hz. Pulses flow only in one half winding at a time. These were used when diode were expensive compared to transformers, and also in valve circuits, using a dual anode (dual plate) rectifier diode valve. These had their own, usually 5 volt heater winding, as the whole kit and caboodle was floating at the positive DC rail for the circuit.
Single diode half-wave rectifierThis circuit uses a "bridge" of four diodes to generate pulses for both positive and waveform, meaning there is a 20 millisecond gap between the peaks on a 50 Hz system, and 16.667 ms in a 60 Hz one. Again the hum frequency is 100 or 120 Hz. I have left the capacitor off this one, so the waveform shown is generated. They may be drawn with the diodes horizontal, rather than diagonally, or as a block, especially if a manufactured bridge is used.

Given may circuits are drawn using CAD, there is often a preference to draw the diodes horizontally or vertically, and there are a bunch of ways to do this. Some emulate how the 3 phase bridge below is drawn. Perhaps where a pre-built bridge is used, the European symbol is a block, AC in on the left, plus and minus on the right, with a single diode symbol in the centre.

I think the term rectification is a reference to making AC into good old-fashioned DC, or that in the last case the negative pulses are "rectified" into positive ones. You can read more at: Wikipedia: Rectifier

Various 4 diode bridges are available such as small surface mount units, 8 pin IC sized (but just 4 pins), round versions, and square ones, some metal clad and fitted with ¼" push terminals, designed to be bolted to a heatsink. There are also 3 phase versions, with 6 diodes and 5 terminals, and a wide range of heatsink mounted half-bridge modules with three terminals. While normally used to form a bridge, there are common cathode versions in TO-220 size which could be used as the full-wave (non-bridge) recitifier above.

Complex combinations of diodes and capacitors can form a voltage multiplier, alluded to as a spoiler. An EHT "tripler" used in CRT TVs to obtain a very high voltage is an example. Air ionisers / negative ion generators also used long strings of diodes and capacitors.

Regulators

In many cases a supply will include a voltage regulator of some kind. This can be a three terminal regulator, such as the 7800 family, or a design using a zener or similar reference and power transistors. Regulators tend t educe hum passed to the load. IC regulators may be distributed within a device. Separate regulators may be used for the logic and analogue parts of a device, to help keep the analogue signals clean.

Within a radio, a small zener regulator may also be used to power a single transistor signal amplifier, such as between a demodulator and the audio power amplifier. For a 12 volt supply this might use an 8.2 volt zener. This provides a supply decoupled from things like processor noise on the supply line within the radio; and whine from the vehicle's alternator.

SMPS

The alternative is the switch-mode power supply (SMPS). These operate at high frequency, from around 25 kHz and up, as if the oscillator runs at an audio frequency, the audible whine will be very annoying. If a power supply is badly designed there will be a harmonic at every 25 kHz across the MF and HF bands in the radio it supplies. The Jaycar / Powertech MP3079 is definitely one to AVOID!

For regulation they use some form of feedback, often via an optocoupler, to maintain the correct output voltage, while ensuring electrical isolation from the mains. Given the voltage on the capacitors might be between 120 to 431 volts DC, the duty cycle of the signal being sent to the small ferrite transformer must be varied to compensate for this, and the variation in current draw. Its output is then rectified and filtered to produce DC, with only small capacitors needed.

The above DC range is for 85 to 305 volts AC in, covering saggy 100 volt power supplied on some islands, to floaty 277 volt industrial power.

Schematics

The electrical arrangement of components in a circuit is drawn out in a "schematic diagram". You should remember that this does not dictate the physical placement of components, as we typically want the indicators, displays, and switches on the front; connectors on the front, side, or rear, depending on their function; and components needing significant heat-sinking where we wish to place the heatsinks.

London Underground, and many other transit systems use maps with fixed spacing between stations, and at best only approximate directions for the lines. This concept was derived from electrical diagrams.

Sighted candidates are required to identify component on the diagram, Schematic Diagram G7-1, below.

Schematic Diagram G7-1

This appears to be a varactor tuned oscillator, based on a FET, with the bipolar transistor acting as an output driver or "buffer", connected via a transformer. Adjusting the variable resistor adjusts the frequency. Older VHS machines with channels set up by adjusting a bank of multi-turn trimpots used his concept. Electronically varying the biasing voltage on the Varactor (aka Varicap) removes the need for mechanically setting a the rotation of a variable capacitor.

It apparently lacks the positive feedback path around the FET, perhaps it is just "concepts of a plan" for such an oscillator. Rememberm the function of this drawing is component identification, not a functioning circuit. Oscillators rely on some signal from the output being returned to the input of the active device.

  1. Field Effect Transistor, a device with a high input impedance
  2. NPN Junction Transistor, drives the transformer to buffer and amplify the signal
  3. Diode - signal or power, its task may be to limit the positive voltage at the gate to around 0.7 volts, assuming a silicon signal diode, such as a 1N4148
  4. Varactor, a diode which has a high inter-electrode capacitance, which is be varied by adjusting the reverse biasing voltage
  5. Zener Diode this regulates the voltage operating the oscillator section, including that feeding the variable resistor and varactor
  6. Matching Transformer, or "output transformer", this matches the circuit to the load impedance, the exams calls it a multi-winding transformer
  7. Taped inductor, this is part of the positive feedback loop
  8. Capacitor, probably a small electrolytic, to filter the supply to the oscillator section
  9. Resistor (fixed), acts to control the gain of the output amplifier
  10. Capacitor, probably a ceramic, polyester, or other plastic one, or maybe a mica
  11. Variable resistor or potentiometer, this sets the voltage on the varactor

The un-numbered resistors connected to the base of the NPN transistor biases the transistor input to the transistor so that it is operating in the linear range, so it transfers an amplified representation of the varying voltage of the input signal to the output. The un-numbered capacitor between the FET and transistor base passes the RF signal between stages, but allows different DC voltages to be present on either side of it. "Capacitor coupling" between amplifier stages is very common.

The capacitor above the transformer is likely to "decouple" or "bypass" RF current from section of the circuit, to help prevent it from travelling along the power wire to other sections of the equipment. A benefit of the zener based voltage regulator is that noise or hum on the power supply is attenuated. The variable resistor may require 10, 15, or 20 turns using a small screwdriver to travel the track, allowing the voltage, and thus the frequency, to be set with better precision; or it may be a user operated one, with a vernier reduction drive, to more easily tune in stations.

Random thought

Exactly what a component does in a circuit can depend on its value, and to some extent its type. A capacitor across the positive and negative lines from a rectifier to a load will smooth the ripple in the DC if it is a large electrolytic; low value ceramic or plastic capacitor would only perhaps filter out some hash from a small universal motor. There is debate about adding small capacitors in parallel with large electrolytics, so spikes and transisents on the power line are better absorbed.

Relevant Questions

These are actual questions from the General exam pool.

G7A01
What is the function of a power supply bleeder resistor
A. It acts as a fuse for excess voltage
B. It discharges the filter capacitors when power is removed
C. It removes shock hazards from the induction coils
D. It eliminates ground loop current

Especially in power supply circuits which generate a dangerous DC voltage it is common to place a high value resistor across the filter capacitor(s) to discharge them when the power is removed. This reduces the chance of someone who opens the equipment getting a dangerous shock, answer B.

G7A02
Which of the following components are used in a power supply filter network?
A. Diodes
B. Transformers and transducers
C. Capacitors and inductors
D. All these choices are correct

Some power supplies use only capacitors after the rectifier. Others use (typically) iron-cored inductors as well, forming a "filter network". Answer C.

G7A03
Which type of rectifier circuit uses two diodes and a center-tapped transformer?
A. Full-wave
B. Full-wave bridge
C. Half-wave
D. Synchronous

When a centre-tapped transformer is used, and only a single output voltage is needed, a "full-wave" rectifier is used, with current flowing in only one half of the secondary carries current at a time, answer A.

This is *NOT* a bridge, which uses four diodes.

G7A04
What is characteristic of a half-wave rectifier in a power supply?
A. Only one diode is required
B. The ripple frequency is twice that of a full-wave rectifier
C. More current can be drawn from the half-wave rectifier
D. The output voltage is two times the peak output voltage of the transformer

This require only a single diode, saving money, answer A.

G7A05
What portion of the AC cycle is converted to DC by a half-wave rectifier?
A. 90 degrees
B. 180 degrees
C. 270 degrees
D. 360 degrees

This is just under 180 degrees, answer B.

G7A06
What portion of the AC cycle is converted to DC by a full-wave rectifier?
A. 90 degrees
B. 180 degrees
C. 270 degrees
D. 360 degrees

Both the two diode full-wave arrangement using a CT transformer, and the bridge rectifier convert very nearly the 360 degrees of the waveform to DC, answer D.

G7A07
What is the output waveform of an unfiltered full-wave rectifier connected to a resistive load?
A. A series of DC pulses at twice the frequency of the AC input
B. A series of DC pulses at the same frequency as the AC input
C. A sine wave at half the frequency of the AC input
D. A steady DC voltage

Both the positive and negative half-waves become positive half-waves. These pulses thus occur at twice the AC frequency, answer A.

Note also that it is unfiltered, hence the pulsed DC current.

G7A08
Which of the following is characteristic of a switchmode power supply as compared to a linear power supply?
A. Faster switching time makes higher output voltage possible
B. Fewer circuit components are required
C. High frequency operation allows the use of smaller components
D. Inherently more stable

Switchmode supplies involve converting the AC mains to high voltage DC, then rapidly switching this to feed a small, usually ferrite, transformer. The high frequency often means smaller filter capacitors can be used, answer C.

This often also means they are much lighter. They are typically significantly more complex than a linear supply.

G7A09
Which symbol in figure G7-1 represents a field effect transistor?
A. Symbol 2
B. Symbol 5
C. Symbol 1
D. Symbol 4

The right angle connections to the bar indicates a FET, as in symbol 1, answer C.

Schematic Diagram G7-1

G7A10
Which symbol in figure G7-1 represents a Zener diode?
A. Symbol 4
B. Symbol 1
C. Symbol 11
D. Symbol 5

The 45 degree wings on the cathode indicates a special kind of diode, the zener, Symbol 5, answer D.

G7A11
Which symbol in figure G7-1 represents an NPN junction transistor?
A. Symbol 1
B. Symbol 2
C. Symbol 7
D. Symbol 11

Bipolar transistors are indicated by the angled connections, and the arrow on an NPN transistor is "Not Pointing iN", answer B.

The PN junction from base to emitter, the last two letters, is needed for the voltage, positive with respect to ground, to drive a base to emitter current to enable the collector to emitter current.

G7A12
Which symbol in Figure G7-1 represents a solid core transformer?
A. Symbol 4
B. Symbol 7
C. Symbol 6
D. Symbol 1

The lines between windings indicate the core, as shown on Symbol 6, answer C.

This may be an iron powder toroid, given this likely operates at a radio frequency. A version without lines indicate it is wound on a small plastic or lacquered paper tube.

G7A13
Which symbol in Figure G7-1 represents a tapped inductor?
A. Symbol 7
B. Symbol 11
C. Symbol 6
D. Symbol 1

This is the component with the appearance of a coil, with a tap, symbol 7, and answer A.


I was tossing up whether to mention rectification of 3 phase power, and later was thinking about power hungry linear amplifiers and the limited power delivery capabilities of 120 volt domestic power. For many the solution to this is to use both hots of split-phase power to get 240 volts, and wire the transformer as appropriate. Using a 4 wire plug (NEMA 14 series) means fans and timers can go from one hot to neutral, if required. However, not all houses have this arrangement.

Some areas instead have 120 / 208 volt three phase. The folks with loco people living in their upstairs apartment have a 127 / 220 volt 3-phase supply. Much of Norway has 230 volts delta instead of the usual 230 volts star / wye. There are two options, transformer-wise. One is a dedicated 3-phase unit, with 3 spools side-by-side. The other is three single-phase units.

Many broadcast transmitters use 3 phase power.

A blue IEC 60309 plug may be an easier option than NEMA 15-15 (theoretical?) or NEMA 15-20 (expensive?). For 208, 220, or 230 volt delta use 3P+E. For 120 volt or Mexico's 127 volt wye (star) use 3P+N+E. Both have the thicker earth pin at the 9h (9 o'clock) or 270 degrees position, and the colour indicates that the voltage does not exceed 250 volts. Twist-lock NEMA L15 or L21 (with neutral) series may be an option.

Switzerland has very nice domestic Type 15 and Type 25 sockets, which accept anything from Europlugs (CEE 7/16 Alternative II) for shavers, lamps, and 'phone chargers, to 10 or 16 amp 3 phase plugs at 230 / 400 volts.

There are three primary rectification types methods:

Three diode half-wave rectifier
The half-wave version uses 3 diodes, but generates nasty harmonics, etc. They generate 3 pulses for each mains cycle. The hum frequency is thus 150 or 180 Hz. The peak voltage equals the peak of the AC waveform. The ripple voltage is larger than below.
Six diode full-wave rectifier (non-bridge)
The second uses three centre-tapped windings, with the centre taps all connected, with this point forming the negative rail. A diode lead from the end of each winding to the positive rail, 6 in total. These generate 6 pulses per cycle, and thus have a 300 or 360 Hz hum frequency. The peak voltage equals the peak of the AC waveform. The ripple voltage is smaller than above. This has fallen from favour, but as only one diode drop occurs this may be ideal for higher current, low voltage supplies.
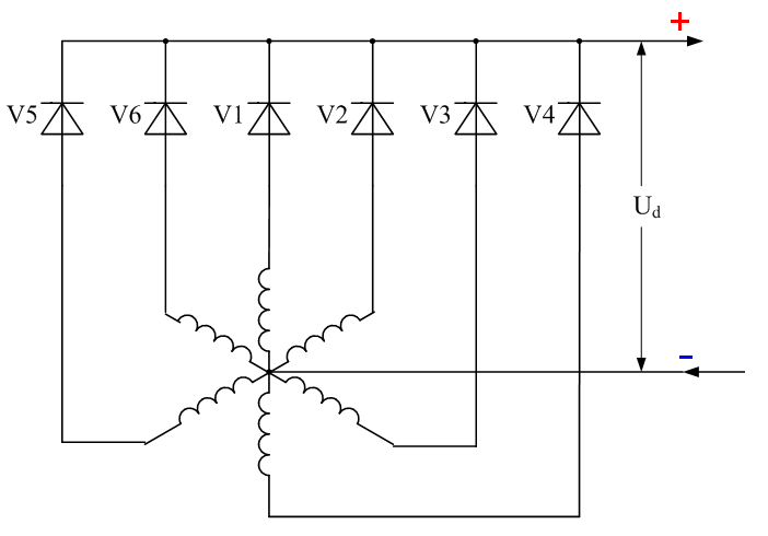
Six diode bridge rectifier
The current (as in modern) bridge configuration uses the transformers in a star format with each of the three remaining terminals having a diode going to the positive rail, and one coming from the negative. Six diodes are used, and 6 pulses generated. Again the hum frequency is 6 times the mains frequency. The peak voltage is √3 times the AC input's peak voltage. I believe the three input wires can also be connected to delta connected transformers, as there is no connection to the star point with this method.
Some care needs to be taken in connecting the wires of the primaries and secondaries if using separate transformers are used, for correct phasing, or you risk getting an uneven pulse pattern.

Various 5 terminal bridges are available, be it for something like a 50 or 70 volts DC supply for LD-MOS or other solid state amplifiers, supplying 50 amps, or 1.6 kV supplies for valves. Above this voltage of strings of individual diodes maybe be needed, although DNA30E2200PA is good for 2200 volts. High voltage and high current series connected dual diodes modules are available. Bridges: Fastron: 3-Phase Bridges. Additional products are available for companies such as Element 14. Eg: E14: Dual-in-series diodes

VDC = (√3 × √2 × VLN) / π ≈ 2.339 × VLN

An important benefit of rectifying 3 phase is that as the first phase has started to drop away, the second phase picks up the voltage. Even without filtering the output only falls a small amount (likely just over 13%), unlike single phase which drops to zero. I understand tramway and much railway traction power uses this. As the time between peaks is a third of single phase the filter capacitors may perhaps be smaller for a particular current output and desired ripple voltage limit, or the ripple can be reduced for a specific capacitor size.

Given most amateur gear operating at 12 or 13.8 volts may draw large, but not massive, currents using a 3 phase supply to avoid large current draw at 120 volts may be unnecessary. That said, assuming a 3 phase outlet being available, it could be a good learning exercise, and something to brag about. Old CB linears for mobile use had a large draw. If you use one on 12 or 10 metres, make sure you ensure it is clean, and maybe add external low-pass filtering.

The article Wikipedia: Diode Bridge includes an image of a 3 phase rectifier with diagonal links across modules. Each module contains two independent diodes with a decent current capacity. There are a couple of animations too.


Where a separate power supply and amplifier are constructed, the cases both must be bonded together by a reliably connected strap, especially if the voltages are dangerous, in case the negative return fails and, the case would otherwise become live.

The "Scott Connection" can be used to obtain a split phase or two-phase supply for supplying (very) high current, low voltage AC for heavy duty centre-tapped valve / tube filament, from 3 phase power.

There is also a much more complex 12 pulse system, using a combination of star and delta transformers.


Electric cars in places which are not America charging from 3 phase AC power likely use 3 phase rectification of the mains voltage as the input of the on-board switch-mode charger. Even US DC rapid chargers use three phase, in this case at 480 volts delta. ICE car alternators are 3 phase, and typically use 6 diodes.


On to: Circuits 2 - Digital & RF Circuits

You can find links to lots more on the Learning Material page.


Written by Julian Sortland, VK2YJS & AG6LE, March 2026.

Tip Jar: a Jefferson (US$2), A$3 or other amount / currency. Thanks!

You can also buy me a non-coffee beverage: ko-fi.com/ag6le